Google Adsense
Index
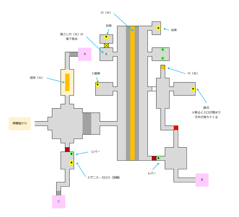
解説:沸騰窟
■簡易マップ
■沸騰窟について
【レ・ファニュ城】の地下から訪れることができるエリア。赤い結晶有り。
沸騰窟という名前から察しているとは思うが、このエリアは溶岩が流れる溶岩洞。溶岩に足を踏み入れても死にはしないがダメージを受ける。
■ヒケット卿のクエスト
●ヒケット卿の黄金鎧
死してなお外すことができないヒケット卿の黄金鎧。
先に答えを書いてしまうと、この鎧を外すためには「イグニス・カロル」の魔法が必要で、その魔法は沸騰窟の東部にある砂の神殿で入手できる。
砂の神殿は巨大な蛇の像の口から進入できるのだが、その口からは絶えず炎が吐き出されているため、近づくことすらできない。下手に炎に触れると大ダメージを受けてしまう。
従って、まずはこの炎をどうにかして止めないといけない。
●吐き出される炎の止め方
蛇の像の口から吐き出される炎を止めるには、沸騰窟の北東部と南東部の2カ所にあるレバーを引き、仕掛けを作動させればいい。
レバーの近くには黒曜石スケルトンが待ち構えており、戦闘は避けられない。戦う準備をしておこう。
●イグニス・カロルの魔法を手に入れたら
イグニス・カロルの魔法を手に入れたら、この魔法をヒケット卿に使用する。この魔法の効果によってヒケット卿の火属性耐性が消えるので、そこを松明などの火属性武器でぶん殴れば鎧を外すことができる。
ヒケット卿の鎧を外すことが出来たら鴉のシェリルに報告しよう。後日、【翼休め】にあるシェリルの店を訪れると「私掠者のマスケット」と「油ランタン」が新商品として追加される。
■快眠棺桶
鴉のシェリルの店の近くに隠し扉があり、その先に蓋の空いた棺桶が置かれている。
その棺桶を調べると「棺桶の中で眠りますか?」みたいな問いかけがでるので、これに「はい」と答えると【深淵塔】へ行くことができる。
■沸騰窟で入手可能なもの
●武器
- スケルトンアックス(スケルトンのレアドロップ)
- 黒曜石の呪刀(黒曜石スケルトンのレアドロップ)
●魔法の指輪
- 岩橋
- 闇の頭蓋(スケルトンのレアドロップ)
●採取
- 炎珊瑚
解説:砂の神殿
■簡易マップ
■砂の神殿について
砂の神殿は、地上3階、地下2階の構造。
この場所での主な目的は、イグニス・カロルの魔法の指輪の入手。そのためには地下を経由しながら神殿を奥へ奥へと進まなくてはいけない。
神殿の地下には床のスイッチを踏むと矢や針が飛び出す罠や巨大なギロチンの刃が振り子になっている通路など、様々な罠が仕掛けられている。いずれもブロック状態で進めば受けるダメージを減らすことが可能。ただし、弾き飛ばされて穴に落ちないように注意。
■鉄爪の取り方
1F東部の部屋で鉄爪を取ると、入口が閉まり、落ちてきた天井に潰されて圧死する。
落ちてくる天井を止める手段はないので、鉄爪を取ったら水晶の欠片を使用してすぐに脱出しよう。
■砂の神殿で入手可能なもの
●武器
- 鉄爪
- 金のケペシュ(アンプのレアドロップ)
- 黄金の鎌(アンプのレアドロップ)
●魔法の指輪
- イグニス・カロル
モンスター情報
■イクルリィルブ(Ikurr'ilb)
●パラメータ(参考)
| Health | 400 |
●属性相性(参考)
| 通常 | 火 | 氷 | 毒 | 光 | 闇 |
| 84% | 0% | 213% | 84% | 42% | 42% |
●ドロップ(確認できたもの)
- 雪片黒曜石
- イクルイルブの根
●メモ
沸騰窟に出現。横から見るとただの棒。攻撃する際には目玉を狙う必要がある。
触手でこちらを弾き飛ばす攻撃と炎の弾を発射する攻撃を使う。
氷剣喚びの魔法を使用し、氷剣に倒してもらうのが楽。
■スケルトン
●パラメータ(参考)
| Health | 100 |
●属性相性(参考)
| 通常 | 火 | 氷 | 毒 | 光 | 闇 |
| 122% | 91% | 91% | 91% | 228% | 91% |
●ドロップ(確認できたもの)
- 銀貨 2枚
- 銀貨 10枚
- 骨
- オニキス
- スケルトンアックス(武器)
- 闇の頭蓋(指輪)
●メモ
沸騰窟の南東部の区画に出現。
■黒曜石スケルトン(Obsidian Skeleton)
●パラメータ(参考)
| Health | 500 |
●属性相性(参考)
| 通常 | 火 | 氷 | 毒 | 光 | 闇 |
| 103% | 77% | 77% | 75% | 140% | 77% |
●ドロップ(確認できたもの)
- 銀貨 10枚
- 黒曜石の呪刀(武器)
●メモ
沸騰窟でレバーを守る守護者として出現。
盾でこちらの攻撃を防いだ後、剣を振り下ろして攻撃してくる。
■ミミック(Mimic)
●パラメータ(参考)
| Health | 600 |
●属性相性(参考)
| 通常 | 火 | 氷 | 毒 | 光 | 闇 |
| 91% | 91% | 91% | 91% | 126% | 46% |
●ドロップ(確認できたもの)
- 月光の薬瓶
- 愚者の黄金
●メモ
沸騰窟の南東部の区画に出現。宝箱に擬態しており、開こうとすると襲い掛かってくる。
攻撃を受けると銀貨を失う。そして、失われた銀貨は、ミミックを倒しても戻ってこない。なんてこったい。
■アンプ(Anpu)
●パラメータ(参考)
| Health | 375 |
●属性相性(参考)
| 通常 | 火 | 氷 | 毒 | 光 | 闇 |
| 100% | 0% | 171% | 103% | 128% | 56% |
●ドロップ(確認できたもの)
- 銀貨 5枚
- 火のオパール
- 金のケペシュ(武器)
- 黄金の鎌(武器)
●メモ
砂の神殿に出現。両手に持った2本の武器で激しい攻撃を仕掛けてくる。
なるべく近寄らずに射撃武器で倒したいところ。接近された時はブロックしながら魔法で攻撃すると被ダメージを抑えつつ倒すことができる。既に【深淵塔】をクリアしてムーンライトを入手済みであれば何の苦も無く倒せる。
■ヘビ(Serpent)
●パラメータ(参考)
| Health | 80 |
●属性相性(参考)
| 通常 | 火 | 氷 | 毒 | 光 | 闇 |
| 110% | 132% | 132% | 0% | 66% | 66% |
●ドロップ(確認できたもの)
- なし
●メモ
砂の神殿の地下に出現。
敵の攻撃を受けると毒状態になる。その毒は他の敵が使う毒よりも強く、HPの減りが早い。解毒剤をいくつか用意しておいた方が良い。
地面を張っているため攻撃を当てづらい。
■ミイラ(Embalmed)
●パラメータ(参考)
| Health | 400 |
●属性相性(参考)
| 通常 | 火 | 氷 | 毒 | 光 | 闇 |
| 115% | 135% | 81% | 81% | 157% | 81% |
●ドロップ(確認できたもの)
- 灰
- 骨
●メモ
砂の神殿の奥地に出現。普段は棺の中に潜んでおり、こちらが近づくと棺から飛び出してくる。
右手に持っている武器の攻撃は毒属性。